请输入您要查询的字词:

 

单词 transistor parameters
释义
transistor parameters

Electronics and Electrical Engineering
  • The electrical behaviour of transistors can be described more or less accurately by a number of equations relating the movement of the electrons in the semiconductor due to the applied potentials, and the resulting current flows. While this is useful for understanding transistor physics it is impractical for circuit design. Electrical models of the transistor behaviour have been devised that can be used in straightforward circuit analysis and design: these are equivalent circuit models, and the parameters of these models are the transistor parameters.

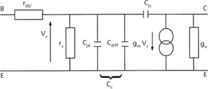
    For circuit analysis by hand, the equivalent circuits are relatively simple. Generally they are divided into ‘DC’ models, for determining the steady bias conditions or operating point of the circuit, and small-signal models for determining the circuit response to an applied AC signal. Examples of such models for a bipolar junction transistor are the Ebers–Moll model, which is a DC model, and the hybrid-π model, which is a small-signal model (Figs. a, b). The transistor parameters in each model are the values for the equivalent-circuit components. For example, the parameters of the Ebers–Moll model are the current transfer ratios, αF and αR, and the saturation currents of the p-n junctions formed by the emitter-base and the collector-base junctions; the parameters of the hybrid-π model are the resistor and the capacitor values, and the transconductance.

    transistor parameters

    (a) Ebers–Moll DC model for a bipolar junction transistor

    transistor parameters

    (b) Hybrid-π small-signal model for a bipolar transistor

    Some small-signal models are derived from the two-port analysis of the transistor behaviour (see network). For example, the hybrid parameter model for a bipolar transistor in common-emitter configuration results in terms such as the input resistance hie, the output admittance hoe, and the forward-current gain hfe (gain parameter on the current-controlled current source at the output port). This hybrid parameter model is relatively archaic and should not be confused with the hybrid-π model of the bipolar transistor. The term hfe is often found in transistor data sheets, and can be identified with the forward-current gain β.

    In practical devices the equivalent-circuit models can also include components to model the packages that the devices are placed in. This is particularly important at high frequencies where the packages can contribute significant capacitance and inductance that can strongly affect the overall electrical behaviour of the transistor.

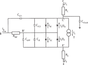
    When computer-aided design is used in the circuit analysis and design, more sophisticated equivalent-circuit models can be employed, making use of the computational power available to perform many more calculations than would be possible by hand. The SPICE model for a bipolar transistor is shown in Fig. c, and the associated parameter list is given in the table. Various levels of sophistication can be included in such models.

    transistor parameters

    (c) SPICE model for bipolar transistor

    Similar model approaches are employed for junction FETs and MOSFETs.

    Model parameter

    Default

    Unit

    Scaling

    IS

    saturation current

    1E-16

    amp

    area

    BF

    ideal maximum forward current gain

    100

    NF

    forward current ideality factor

    1

    VAF

    forward Early voltage

    volt

    IKF

    corner for BF high-current roll-off

    amp

    area

    ISE

    base-emitter leakage satn. current

    0

    amp

    area

    NE

    base-emitter leakage ideality factor

    1.5

    BR

    ideal maximum reverse current gain

    1

    NR

    reverse current ideality factor

    1

    VAR

    reverse Early voltage

    volt

    IKR

    corner for BR high-current roll-off

    amp

    area

    ISC

    base-collector leakage satn. current

    0

    amp

    area

    NC

    base-collector leakage ideality factor

    2

    RB

    zero-bias (maximum) base resistance

    0

    ohm

    1/area

    RBM

    minimum base resistance

    RB

    ohm

    1/area

    RE

    emitter ohmic resistance

    0

    ohm

    1/area

    RC

    collector ohmic resistance

    0

    ohm

    1/area

    CJE

    base-emitter zero-bias junction cap.

    0

    farad

    area

    VJE

    base-emitter built-in voltage

    0.75

    volt

    MJE

    base-emitter p-n doping grading

    0.33

    CJC

    base-collector zero-bias junction cap.

    0

    farad

    area

    VJC

    base-collector built-in voltage

    0.75

    volt

    MJC

    base-collector p-n doping grading

    0.33

    XCJC

    fraction of Cbc connected internal to Rb

    1

    CJS

    collector-substrate zero-bias junction cap.

    0

    farad

    area

    VJS

    collector-substrate built-in voltage

    0.75

    volt

    MJS

    collector-substrate p-n doping grading

    0

    FC

    forward-bias junction cap. coefficient

    0.5

    TF

    forward transit time

    0

    sec

    TR

    reverse transit time

    0

    sec

    EG

    energy band gap

    1.11

    eV

    KF

    flicker noise coefficient

    0

    AF

    flicker noise exponent

    1

    SPICE parameters for bipolar transistor (subset)


随便看

 

科学参考收录了60776条科技类词条,基本涵盖了常见科技类参考文献及英语词汇的翻译,是科学学习和研究的有利工具。

 

Copyright © 2000-2023 Sciref.net All Rights Reserved
京ICP备2021023879号 更新时间:2025/12/31 11:12:04