请输入您要查询的字词:

 

单词 conjugate matching
释义
conjugate matching

Electronics and Electrical Engineering
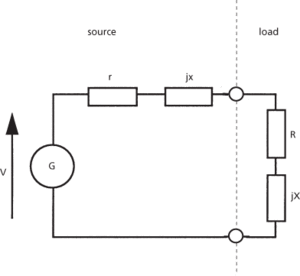
  • A technique used to ensure that the maximum power from a generator of electrical energy is dissipated in the load impedance. The diagram shows a generator with a complex source impedance (r + jx) feeding a load impedance (R + jX). Maximum power is dissipated in the load when

    R=r

    and

    R+jX=rjx

    such that the reactances cancel. Under these conditions the load impedance is said to be the conjugate impedance of the complex source impedance and the circuit is said to be conjugate matched.

    conjugate matching

    Conjugate matching


随便看

 

科学参考收录了60776条科技类词条,基本涵盖了常见科技类参考文献及英语词汇的翻译,是科学学习和研究的有利工具。

 

Copyright © 2000-2023 Sciref.net All Rights Reserved
京ICP备2021023879号 更新时间:2025/12/14 10:05:01