请输入您要查询的字词:

 

单词 Anderson bridge
释义
Anderson bridge

Electronics and Electrical Engineering
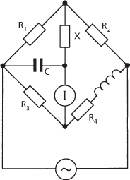
  • A bridge, modified from the Maxwell bridge, in which an inductance, L, is compared with a capacitance, C. Using a null-point detector instrument I (see diagram), resistances R4 and X are adjusted until, when the bridge is balanced,

    R2R3=R1R4

    L=C[R2R3+(R3+R4)X]

    Anderson bridge

    Anderson bridge


随便看

 

科学参考收录了60776条科技类词条,基本涵盖了常见科技类参考文献及英语词汇的翻译,是科学学习和研究的有利工具。

 

Copyright © 2000-2023 Sciref.net All Rights Reserved
京ICP备2021023879号 更新时间:2025/12/28 10:03:55