请输入您要查询的字词:

 

单词 AM detector
释义
AM detector

Electronics and Electrical Engineering
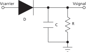
  • An older term for the earlier type of amplitude demodulator. The simplest form is known as a diode detector (see diagram) and consists essentially of a single diode, capacitor, and resistor. The diode rectifies the a.c. carrier wave, and the capacitor and resistor form a low-pass filter that blocks the high carrier frequencies, while allowing the low-frequency signal content to pass.

    AM detector

    AM detector: diode detector


随便看

 

科学参考收录了60776条科技类词条,基本涵盖了常见科技类参考文献及英语词汇的翻译,是科学学习和研究的有利工具。

 

Copyright © 2000-2023 Sciref.net All Rights Reserved
京ICP备2021023879号 更新时间:2025/11/30 15:58:32