请输入您要查询的字词:

 

单词 summing amplifier
释义
summing amplifier

Electronics and Electrical Engineering
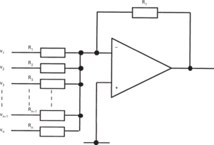
  • An operational amplifier configuration (see diagram) that has a number of inputs, v1, v2, v3, …, vn, and whose output is given by

    vo=((Rfv1)R1+(Rfv2)R2+(Rfv3)R3++(Rfvn)Rn)

    summing amplifier

    Summing amplifier


随便看

 

科学参考收录了60776条科技类词条,基本涵盖了常见科技类参考文献及英语词汇的翻译,是科学学习和研究的有利工具。

 

Copyright © 2000-2023 Sciref.net All Rights Reserved
京ICP备2021023879号 更新时间:2025/12/31 14:35:07