请输入您要查询的字词:

 

单词 general impedance converter
释义
general impedance converter

Electronics and Electrical Engineering
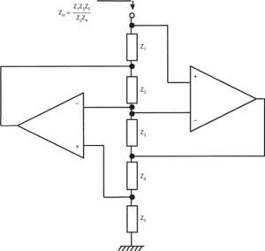
  • A two-port device that is capable of making the input impedance of one of its two ports the product of the impedance terminating its remaining port and the internal impedances of the two-port device. A circuit realization of a GIC using operational amplifiers is shown in the diagram.

    general impedance converter

    General impedance converter


随便看

 

科学参考收录了60776条科技类词条,基本涵盖了常见科技类参考文献及英语词汇的翻译,是科学学习和研究的有利工具。

 

Copyright © 2000-2023 Sciref.net All Rights Reserved
京ICP备2021023879号 更新时间:2025/12/31 14:56:08