请输入您要查询的字词:

 

单词 nonthreshold logic
释义
nonthreshold logic

Electronics and Electrical Engineering
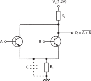
  • A family of integrated logic circuits that operates at a high speed at relatively low power. The basic NTL gate is shown in the diagram. It may be considered as a mixture of resistor-transistor logic (RTL) and a simplified form of emitter-coupled logic (ECL). The input transistors A and B form a long-tailed pair with resistor R1. The voltage gain is determined by the ratio R2/R1 and is adjusted to be slightly more than unity. Unlike other logic circuits the transistors conduct a relatively large current in the ‘off’ state, i.e. a logical 0 at the input. If a logical 1 is applied to the base of either transistor, that transistor saturates and the collector voltage falls. If both inputs are high the output is low, but if either input is low (or if both inputs are low) then the output voltage is high. The voltage swing is low, thus avoiding deep saturation and optimizing the switching time. A capacitor C may also be used, in parallel with resistor R1, to further improve the switching speed. The relative simplicity of the basic gate gives a good potential for VLSI applications, but the low voltage gain employed makes the circuits susceptible to stray noise.

    nonthreshold logic

    Nonthreshold logic: NAND gate


随便看

 

科学参考收录了60776条科技类词条,基本涵盖了常见科技类参考文献及英语词汇的翻译,是科学学习和研究的有利工具。

 

Copyright © 2000-2023 Sciref.net All Rights Reserved
京ICP备2021023879号 更新时间:2025/12/29 15:05:36