请输入您要查询的字词:

 

单词 relaxation oscillator
释义
relaxation oscillator

Physics
  • See oscillator.


Electronics and Electrical Engineering
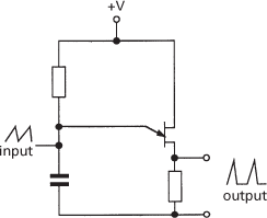
  • An oscillator in which one or more voltages or currents change suddenly at least once during each cycle. The circuit is arranged so that during each cycle energy is stored in and then discharged from a reactive element (e.g. a capacitor or inductance), the two processes occupying very different time intervals. An oscillator of this type has an asymmetrical output waveform that is far from being sinusoidal.

    A commonly produced output waveform is a sawtooth waveform; square or triangular waveforms can be easily produced when required by means of a suitable circuit. Sawtooth waveforms are particularly useful as the internal timebase of a cathode-ray tube.

    The output waveform is very rich in harmonics and for some purposes this is particularly useful. Common types of relaxation oscillator include the multivibrator and unijunction transistor (see diagram) but many other circuit arrangements are possible.

    relaxation oscillator

    Unijunction transistor relaxation oscillator


随便看

 

科学参考收录了60776条科技类词条,基本涵盖了常见科技类参考文献及英语词汇的翻译,是科学学习和研究的有利工具。

 

Copyright © 2000-2023 Sciref.net All Rights Reserved
京ICP备2021023879号 更新时间:2025/12/29 22:20:43