请输入您要查询的字词:

 

单词 Wagner earth connection
释义
Wagner earth connection

Electronics and Electrical Engineering
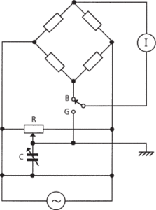
  • A method of connection used with an alternating-current bridge circuit that minimizes the admittance to earth of the bridge. The earth connection is formed by means of the centre tapping of a three-terminal adjustable resistor, R, in parallel with the a.c. supply (see diagram). The input of the a.c. supply is usually transformer-coupled. If frequencies greater than the audiofrequency range are involved an adjustable capacitor, C, is also used as shown. The indicating instrument, I, is connected across the bridge with a two-position switch. The bridge is balanced with the switch in position B and then rebalanced, using R and C, in position G. The original balance is then rechecked.

    Wagner earth connection

    Wagner earth connection


随便看

 

科学参考收录了60776条科技类词条,基本涵盖了常见科技类参考文献及英语词汇的翻译,是科学学习和研究的有利工具。

 

Copyright © 2000-2023 Sciref.net All Rights Reserved
京ICP备2021023879号 更新时间:2025/12/31 20:04:32