请输入您要查询的字词:

 

单词 voltage doubler
释义
voltage doubler

Electronics and Electrical Engineering
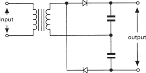
  • An arrangement of two rectifiers that produces an output voltage amplitude twice that of a single rectifier. In a typical circuit using diode rectifiers (see diagram) each rectifier separately rectifies alternate half cycles of the input alternating voltage and the two outputs are then summed.

    voltage doubler

    Voltage doubler


随便看

 

科学参考收录了60776条科技类词条,基本涵盖了常见科技类参考文献及英语词汇的翻译,是科学学习和研究的有利工具。

 

Copyright © 2000-2023 Sciref.net All Rights Reserved
京ICP备2021023879号 更新时间:2025/12/31 20:01:27