请输入您要查询的字词:

 

单词 TTL
释义
TTL

Computer
  • A widely used family of logic circuits that is produced in integrated-circuit form and whose principal switching components are bipolar transistors. It is available in low power and high switching speed versions (see Schottky TTL), in addition to the standard form.

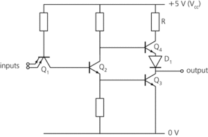
    The diagram shows the equivalent circuit of a TTL two-input NAND gate. The basic circuit uses a multiemitter bipolar transistor, Q1, which is easily fabricated in integrated-circuit form. Each base-emitter junction of Q1 effectively acts as a diode, in a similar manner to a DTL input stage. Thus if all inputs are at a high voltage (logic 1), all input ‘diodes’ are reverse biased; the collector voltage of Q1 rises to Vcc, turning on Q2 (which acts as a phase splitter). The emitter voltage of Q2 rises while its collector voltage falls, turning Q3 on and Q4 off. The output thus falls to logic 0, i.e. zero volts.

    If any one of the Q1 inputs is returned to logic 0, 0 volts, then Q1 is turned hard on, turning off Q2 whose collector voltage rises; this turns on Q4. No current is available via Q2 for Q3’s base, and so Q3 turns off. The output thus increases to +5 volts, i.e. logic 1. Diode D1 is included to establish the correct bias conditions for Q4. The output stage, consisting of Q3, D1, Q4, and R, acts as a power amplifier and is often termed a totem-pole output. The output stage has the property of providing a low-impedance drive for both positive and negative signals. It provides a good fan-out but cannot be connected to other TLL outputs as can open-collector outputs.

    TTL is the most commonly used technology for SSI and MSI devices due to its low cost, high speed, and ready availability.

    TTL

    TTL. NAND gate


Electronics and Electrical Engineering
  • See transistor-transistor logic.


随便看

 

科学参考收录了60776条科技类词条,基本涵盖了常见科技类参考文献及英语词汇的翻译,是科学学习和研究的有利工具。

 

Copyright © 2000-2023 Sciref.net All Rights Reserved
京ICP备2021023879号 更新时间:2025/12/31 15:00:52