请输入您要查询的字词:

 

单词 common-emitter connection
释义
common-emitter connection

Electronics and Electrical Engineering
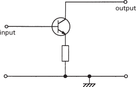
  • A method of operating a bipolar junction transistor in which the emitter is common to both the input and output circuits and is usually earthed (see diagram). The base is used as the input terminal and the collector as the output terminal.

    The equivalent connection for a field-effect transistor is common-source connection and for a thermionic valve is common-cathode connection.

    common-emitter connection

    Common-emitter connection


随便看

 

科学参考收录了60776条科技类词条,基本涵盖了常见科技类参考文献及英语词汇的翻译,是科学学习和研究的有利工具。

 

Copyright © 2000-2023 Sciref.net All Rights Reserved
京ICP备2021023879号 更新时间:2025/12/27 22:48:09