请输入您要查询的字词:

 

单词 resistor-transistor logic
释义
resistor-transistor logic

Computer
  • See RTL.


Electronics and Electrical Engineering
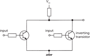
  • A family of integrated logic circuits that was the first to be developed but is now little used. The input is through a resistor into the base of an inverting transistor. The basic NOR gate is shown overleaf. The output is high (corresponding to a logical 1) only if both the inputs are low (corresponding to a logical 0). If either input is high the transistor conducts and saturates and the voltage at the output is low. RTL circuits tend to be slow low fan-out circuits that are susceptible to noise but the power dissipated is low compared to emitter-coupled, diode-transistor, and transistor-transistor logic circuits.

    resistor-transistor logic

    Resistor-transistor logic: two-input NOR gate


随便看

 

科学参考收录了60776条科技类词条,基本涵盖了常见科技类参考文献及英语词汇的翻译,是科学学习和研究的有利工具。

 

Copyright © 2000-2023 Sciref.net All Rights Reserved
京ICP备2021023879号 更新时间:2025/12/31 12:01:42