请输入您要查询的字词:

 

单词 push-pull operation
释义
push-pull operation

Electronics and Electrical Engineering
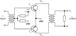
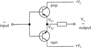
  • The use of two matched devices in such a way that they operate with a 180° phase difference. The output circuits combine the separate outputs in phase (Fig. a). One common means of achieving the desired 180° phase shift in the inputs is a transformer-coupled input circuit (Fig. b). Complementary transistors may also be used (Fig. c), in which case no phase shift is required in the inputs.

    Push-pull circuits are frequently used for class A and class B amplification and are then termed push-pull amplifiers. A push-pull amplifier that is suitably biased to give negligible output current when no input signal is present is termed a quiescent push-pull amplifier.

    push-pull operation

    (a) Output of transformer-coupled push-pull operation

    push-pull operation

    (b) Transformer-coupled class A push-pull operation

    push-pull operation

    (c) Complementary transistor push-pull operation


随便看

 

科学参考收录了60776条科技类词条,基本涵盖了常见科技类参考文献及英语词汇的翻译,是科学学习和研究的有利工具。

 

Copyright © 2000-2023 Sciref.net All Rights Reserved
京ICP备2021023879号 更新时间:2025/12/27 18:01:22